产品中心

您当前的位置:首页 - 产品中心 - MAP
  • CB-MG
  • CB-MHG
  • CB-MGT
  • CB-MPH
  • CB-H
  • CB-HGP
  • CB-NHP
  • CB-AQ
  • CB-AQT
  • CB-HD
  • CB-CG
  • MKP
  • MAP
  • MDP
  • MHP

    MAP1A0-齿轮泵

    主要应用于农业机械

    7*24小时免费咨询电话

    139-5223-4320

    60秒人工响应

    30分钟内给予技术咨询答复

    24小时免费提供方案设计

    产品描述

    应用领域

    主要应用于农业机械


    产品参数    

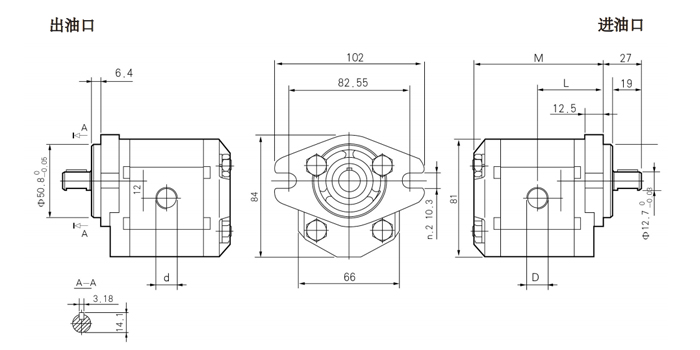
    “D”和“d” 油口有螺纹加工, 用O型圈密封, 旁侧削平的SAE J1926/1 ( ISO J1926-1 ) 

    安装泵时,n.4M8螺钉扭矩设定为27±3Nm


    MAP1A0-齿轮泵-尺寸.jpg

    产品规格

    MAP1A0-齿轮泵-型号.jpg

    在线咨询

    如果您对我们的产品感兴趣,或者我们有什么可以帮助到您的,您可以随时拨打我们的全国客服电话: 400-6050-956

    您也可以在线与我们沟通,当然您也可以在下面给我们留言,我们将热忱为您服务!